热门关键词: 高清网络套装 网络摄像机 人脸识别 门禁 硬盘录像机

产品中心

以视频为核心,全系智能物联产品

2系海螺型摄像机吊装支架

2系海螺型摄像机吊装支架

产品型号:ZN-ZJ-H41

应用场景:
产品详情咨询

* 同一型号产品可能有多个版本,不同版本的产品会存在差异(包括功能参数、LOGO设计、外观细节、产品资料等),请以实物为准。建议您在购买前就您将要购买的具体版本进行详细咨询。

产品概述
产品规格表
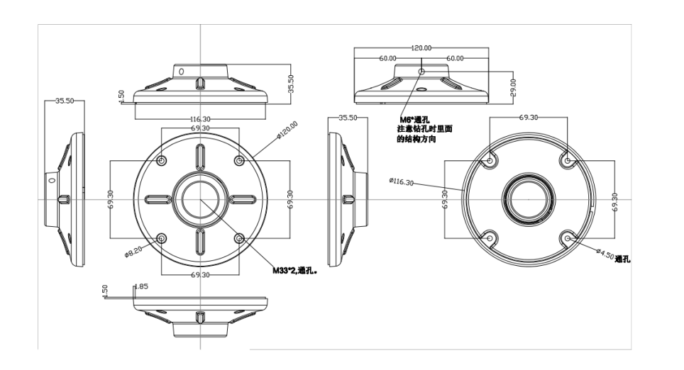
外形尺寸

订货型号

ZN-ZJ-H41

产品特点

压铸铝合金材质,表面做喷塑处理

室内外通用设计

支架带出线孔,内走线设计,安装更加美观

支架垂直伸缩长度可定制,适合多种安装环境

藏线盒一体式安装无需额外配备

海螺系列专用支架


产品技术规格

 

2系海螺型摄像机吊装支架

产品型号

ZN-ZJ-H41

支架

材料

铝合金

安装方式

吊装

安装环境

室内/外

使用范围

2系海螺

重量

850g

承重

5KG

支架尺寸

安装底座:φ121.3mm×76.3mm

支架: 320mm(竖管)

吊装底座:φ120mm×35.5mm

 

 


外形尺寸

image.png

image.png


image.png


0571-28183999